产品选型
选择臂展
  • 不限
  • 1.5米以内
  • 2米以内
  • 2.5米以内
  • 3米以内
  • 4米以内
选择负载
  • 不限
  • 10kg以内
  • 30kg以内
  • 50kg以内
  • 100kg以内
  • 200kg以内
  • 400kg以内
选型工具
嘿,您好
我能帮上什么忙?

给今年会电竞留言

请留言

CRP-RH21-06-W
描述
一体化高性能灵焊(Nynhan)焊接机器人
产品宣传视频
播放视频
功能特点
  • 使用高速电机,并做软件优化,整体节拍比上一代快20%。

  • 更轻量化,小臂尺寸更小,可达性更好。

  • 高防护:J1、J2轴加装防尘罩,同时使用全包围焊枪。

  • J4、J6轴中空结构,可使用中空焊枪。

  • 内置用户线、气管、焊接电缆,通体流畅,外观整洁。


产品参数

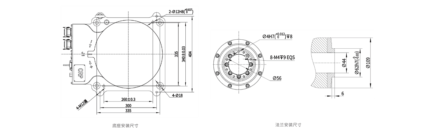
安装接口图

工作范围图